
|
产品分类 / Classification
|
产品展区 / Products
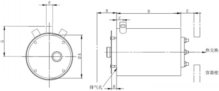
![]() TH槽浸加热燃烧器
产品说明
应用范围:
1、产品表面处理(金属件、铁条、铁线等) 2、清洁(工业清洗机械) 3、食品、饮料加工 产品详细介绍
|
|||||||||||||||